+86-563-4186973

Pošaljite povratne informacije

METRICI UNUTARNI CIRCLIPS-DIN472 Dobavljači

Dom / Proizvodi / Unutarnji krugovi / METRICI UNUTARNI CIRCLIPS-DIN472

Kategorije proizvoda

Očisti sve

Kontaktirajte nas

METRICI UNUTARNI CIRCLIPS-DIN472

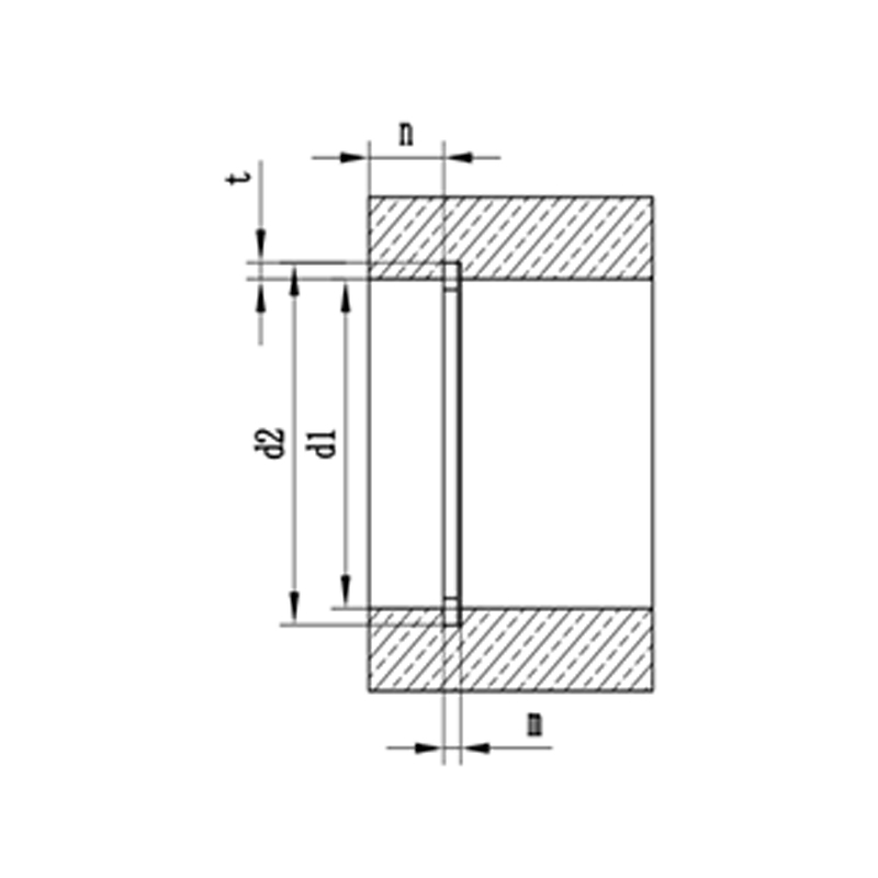
Metrički unutarnji krugovi DIN472 je spriječiti aksijalno kretanje dijelova sastavljenih u rupi. Obično se instalira u unaprijed obrađenu kružnu rupu unutarnji utor i instaliran s posebnim kliještima. Vanjski promjer ove vrste krugova nešto je veći od promjera sastavljene kružne rupe.

Materijal: Konvencionalni ugljični čelik i nehrđajući čelik (65mn, C67S, 2CR13, 304, 1.4122, itd.)

Površinski tretman: Različite konvencionalne standardne metode liječenja, kao što su fosfatiranje, dacromet, geomet, galvaniziranje, cink-nickel oblaganje, elektroforeza itd.

D1: Specifikacija/nominalna veličina; S: Debljina; D3: vanjski promjer; O: Visina glave; ≈ b: širina ramena; D5: mala rupa; WT: Težina; FN: kapacitet ležaja u žljebovima; FR: kapacitet ležaja držača (pravi kut); G: Veličina Chamfera; FRG: Kapacitet ležaja držača (Chamfer);

METRICI UNUTARNI CIRCLIPS-DIN472

D1 S Tol d3 Tol maksimum ≈b D5 min WT (G) d2 Tol m t N FN (KN) FR (KN) g FRG (KN) K N · mm
8
0.80
–0.05
8.7
0,36 –0.10
2.4
1.1
1.0
0.10
8.4
0.09
0.90
0.20
0.6
0.86
2.0
0.5
1.5
9.2
9
0.80
–0.05
9.8
0,36 –0.10
2.5
1.3
1.0
0.13
9.4
0.09
0.90
0.20
0.6
0.96
2.0
0.5
1.5
8.4
10
1.00
–0.06
10.8
0,36 –0.10
3.2
1.4
1.2
0.26
10.4
0.11
1.10
0.20
0.6
1.08
4.0
0.5
2.2
19.6
11
1.00
–0.06
11.8
0,36 –0.10
3.3
1.5
1.2
0.31
11.4
0.11
1.10
0.20
0.6
1.17
4.0
0.5
2.3
21.0
12
1.00
–0.06
13.0
0,36 –0.10
3.4
1.7
1.5
0.37
12.5
0.11
1.10
0.25
0.8
1.60
4.0
0.5
2.3
20.2
13
1.00
–0.06
14.1
0,36 –0.10
3.6
1.8
1.5
0.42
13.6
0.11
1.10
0.30
0.9
2.10
4.2
0.5
2.3
20.3
14
1.00
–0.06
15.1
0,36 –0.10
3.7
1.8
1.7
0.52
14.6
0.11
1.10
0.30
0.9
2.25
4.5
0.5
2.3
19.7
15
1.00
–0.06
16.2
0,36 –0.10
3.7
2.0
1.7
0.56
15.7
0.11
1.10
0.35
1.1
2.80
5.0
0.5
2.3
19.0
16
1.00
–0.06
17.3
0,36 –0.10
3.8
2.0
1.7
0.60
16.8
0.11
1.10
0.40
1.2
3.40
5.5
1.0
2.6
18.4
17
1.00
–0.06
18.3
0,42 –0.13
3.9
2.1
1.7
0.65
17.8
0.11
1.10
0.40
1.2
3.60
6.0
1.0
2.5
18.1
18
1.00
–0.06
19.5
0,42 –0.13
4.1
2.2
2.0
0.74
19.0
0.13
1.10
0.50
1.5
4.80
6.5
1.0
2.6
18.2
19
1.00
–0.06
20.5
0,42 –0.13
4.1
2.2
2.0
0.73
20.0
0.13
1.10
0.50
1.5
5.10
6.8
1.0
2.6
17.2
20
1.00
–0.06
21.5
0,42 –0.13
4.1
2.3
2.0
0.90
21.0
0.13
1.10
0.50
1.5
5.40
7.2
1.0
2.6
16.9
21
1.00
–0.06
22.5
0,42 –0.13
4.2
2.4
2.0
1.00
22.0
0.13
1.10
0.50
1.5
5.70
7.6
1.0
2.6
17.2
22
1.00
–0.06
23.5
0,42 –0.13
4.2
2.5
2.0
1.10
23.0
0.13
1.10
0.50
1.5
5.90
8.0
1.0
2.7
17.6
23
1.20
–0.06
24.6
0,42 –0.13
4.2
2.5
2.0
1.34
24.1
0.13
1.30
0.55
1.7
6.80
8.0
1.0
4.6
28.8
24
1.20
–0.06
25.9
0,42 –0,21
4.3
2.6
2.0
1.42
25.2
0.21
1.30
0.60
1.8
7.70
13.9
1.0
4.6
28.4
25
1.20
–0.06
26.9
0,42 –0,21
4.5
2.7
2.0
1.50
26.2
0.21
1.30
0.60
1.8
8.00
14.6
1.0
4.7
29.0
26
1.20
–0.06
27.9
0,42 –0,21
4.7
2.8
2.0
1.60
27.2
0.21
1.30
0.60
1.8
8.40
13.8
1.0
4.6
27.8
27
1.20
–0.06
29.1
0,42 –0,21
4.7
2.9
2.0
1.75
28.4
0.21
1.30
0.70
2.1
10.10
13.3
1.0
4.5
26.6
28
1.20
–0.06
30.1
0,50 –0,25
4.8
2.9
2.0
1.80
29.4
0.21
1.30
0.70
2.1
10.50
13.3
1.0
4.5
26.3
29
1.20
–0.06
31.1
0,50 –0,25
4.8
3.0
2.0
1.88
30.4
0.25
1.30
0.70
2.1
10.90
13.6
1.0
4.6
26.8
30
1.20
–0.06
32.1
0,50 –0,25
4.8
3.0
2.0
2.06
31.4
0.25
1.30
0.70
2.1
11.30
13.7
1.0
4.6
26.6
31
1.20
–0.06
33.4
0,50 –0,25
5.2
3.1
2.5
2.10
32.7
0.25
1.30
0.85
2.6
14.10
13.8
1.0
4.7
26.8
32
1.20
–0.06
34.4
0,50 –0,25
5.4
3.2
2.5
2.21
33.7
0.25
1.30
0.85
2.6
14.60
13.8
1.0
4.7
26.6
33
1.20
–0.06
35.5
0,50 –0,25
5.4
3.3
2.5
2.40
34.7
0.25
1.30
0.85
2.6
15.00
14.3
1.0
4.9
27.0
34
1.50
–0.06
36.5
0,50 –0,25
5.4
3.3
2.5
3.20
35.7
0.25
1.60
0.85
2.6
15.40
26.2
1.5
6.3
50.0
35
1.50
–0.06
37.8
0,50 –0,25
5.4
3.4
2.5
3.54
37.0
0.25
1.60
1.00
3.0
18.80
26.9
1.5
6.4
50.5
36
1.50
–0.06
38.8
0,50 –0,25
5.4
3.5
2.5
3.70
38.0
0.25
1.60
1.00
3.0
19.40
26.4
1.5
6.4
50.2
37
1.50
–0.06
39.8
0,50 –0,25
5.5
3.6
2.5
3.74
39.0
0.25
1.60
1.00
3.0
19.80
27.1
1.5
6.5
51.0
38
1.50
–0.06
40.8
0,50 –0,25
5.5
3.7
2.5
3.90
40.0
0.25
1.60
1.00
3.0
22.50
28.2
1.5
6.7
51.7
39
1.50
–0.06
42.0
0,90 –0,39
5.6
3.8
2.5
4.00
41.0
0.25
1.60
1.00
3.0
26.00
28.8
1.5
6.9
52.4
40
1.75
–0.06
43.5
0,90 –0,39
5.8
3.9
2.5
4.70
42.5
0.25
1.85
1.25
3.8
27.00
44.6
2.0
8.3
80.1
41
1.75
–0.06
44.5
0,90 –0,39
5.9
4.0
2.5
5.10
43.5
0.25
1.85
1.25
3.8
27.60
45.0
2.0
8.3
81.2
42
1.75
–0.06
45.5
0,90 –0,39
5.9
4.1
2.5
5.40
44.5
0.25
1.85
1.25
3.8
28.40
44.7
2.0
8.4
80.9
43
1.75
–0.06
46.5
0,90 –0,39
5.9
4.2
2.5
5.60
45.5
0.25
1.85
1.25
3.8
28.80
44.5
2.0
8.4
80.5
44
1.75
–0.06
47.5
0,90 –0,39
6.0
4.2
2.5
5.80
46.5
0.25
1.85
1.25
3.8
29.50
43.3
2.0
8.3
78.6
45
1.75
–0.06
48.5
0,90 –0,39
6.2
4.3
2.5
6.00
47.5
0.25
1.85
1.25
3.8
30.20
43.1
2.0
8.2
78.1
46
1.75
–0.06
49.5
0,90 –0,39
6.3
4.4
2.5
6.05
48.5
0.25
1.85
1.25
3.8
30.80
42.9
2.0
8.2
77.8
47
1.75
–0.06
50.5
1.10 –0.46
6.4
4.4
2.5
6.10
49.5
0.25
1.85
1.25
3.8
31.40
43.5
2.0
8.3
78.9
48
1.75
–0.06
51.5
1.10 –0.46
6.4
4.5
2.5
6.70
50.5
0.30
1.85
1.25
3.8
32.00
43.2
2.0
8.4
78.5
50
2.00
–0.07
54.2
1.10 –0.46
6.5
4.6
2.5
7.30
53.0
0.30
2.15
1.50
4.5
40.50
60.8
2.0
12.1
111.0
51
2.00
–0.07
55.2
1.10 –0.46
6.5
4.7
2.5
7.75
54.0
0.30
2.15
1.50
4.5
41.20
60.2
2.0
12.0
109.0
52
2.00
–0.07
56.2
1.10 –0.46
6.7
4.7
2.5
8.20
55.0
0.30
2.15
1.50
4.5
42.00
60.2
2.0
12.0
108.0
53
2.00
–0.07
57.2
1.10 –0.46
6.7
4.9
2.5
8.22
56.0
0.30
2.15
1.50
4.5
42.90
60.7
2.0
12.1
110.0
54
2.00
–0.07
58.2
1.10 –0.46
6.7
5.0
2.5
8.25
57.0
0.30
2.15
1.50
4.5
43.60
60.4
2.0
12.3
110.0
55
2.00
–0.07
59.2
1.10 –0.46
6.8
5.0
2.5
8.30
58.0
0.30
2.15
1.50
4.5
44.40
60.3
2.0
12.5
111.0
56
2.00
–0.07
60.2
1.10 –0.46
6.8
5.1
2.5
8.80
59.0
0.30
2.15
1.50
4.5
45.20
60.3
2.0
12.6
111.0
57
2.00
–0.07
61.2
1.10 –0.46
6.8
5.1
2.5
9.40
60.0
0.30
2.15
1.50
4.5
46.00
60.8
2.0
12.7
112.0
58
2.00
–0.07
62.2
1.10 –0.46
6.9
5.2
2.5
10.50
61.0
0.30
2.15
1.50
4.5
46.70
60.8
2.0
12.7
112.0
60
2.00
–0.07
64.2
1.10 –0.46
7.3
5.4
2.5
11.10
63.0
0.30
2.15
1.50
4.5
48.30
61.0
2.0
13.0
113.0
62
2.00
–0.07
66.2
1.10 –0.46
7.3
5.5
2.5
11.20
65.0
0.30
2.15
1.50
4.5
49.80
60.9
2.0
13.0
112.0
63
2.00
–0.07
67.2
1.10 –0.46
7.3
5.6
2.5
12.40
66.0
0.30
2.15
1.50
4.5
50.60
60.8
2.0
13.0
112.0
64
2.00
–0.07
68.2
1.10 –0.46
7.4
5.7
2.5
12.45
67.0
0.30
2.15
1.50
4.5
51.40
60.6
2.0
13.0
112.0
65
2.50
–0.07
69.2
1.10 –0.46
7.6
5.8
3.0
14.30
68.0
0.30
2.65
1.50
4.5
51.80
121.0
2.5
20.8
220.0
67
2.50
–0.07
71.5
1.10 –0.46
7.7
6.0
3.0
15.30
70.0
0.30
2.65
1.50
4.5
53.80
121.0
2.5
21.1
222.0
68
2.50
–0.07
72.5
1.10 –0.46
7.8
6.1
3.0
16.00
71.0
0.30
2.65
1.50
4.5
56.20
119.0
2.5
21.0
218.0
70
2.50
–0.07
74.5
1.10 –0.46
7.8
6.2
3.0
16.50
73.0
0.30
2.65
1.50
4.5
56.20
119.0
2.5
21.0
218.0
72
2.50
–0.07
76.5
1.10 –0.46
7.8
6.4
3.0
18.10
75.0
0.30
2.65
1.50
4.5
58.00
119.0
2.5
21.0
217.0
75
2.50
–0.07
79.5
1.10 –0.46
7.8
6.6
3.0
18.80
78.0
0.30
2.65
1.50
4.5
60.00
118.0
2.5
21.0
215.0
77
2.50
–0.07
82.5
1.30 –0.54
8.5
6.8
3.0
20.40
80.0
0.30
2.65
1.50
4.5
61.60
121.0
2.5
21.5
220.0
78
2.50
–0.07
82.5
1.30 –0.54
8.5
6.8
3.0
20.40
81.0
0.35
2.65
1.50
4.5
62.30
122.0
2.5
21.8
221.0
80
2.50
–0.07
85.5
1.30 –0.54
8.5
7.0
3.0
22.00
83.5
0.35
2.65
1.75
5.3
74.60
120.0
2.5
21.8
219.0
81
2.50
–0.07
86.5
1.30 –0.54
8.5
7.0
3.0
23.00
84.5
0.35
2.65
1.75
5.3
75.80
119.0
2.5
21.6
216.0
82
2.50
–0.07
87.5
1.30 –0.54
8.5
7.0
3.0
24.00
85.5
0.35
2.65
1.75
5.3
76.60
119.0
2.5
21.4
214.0
83
2.50
–0.07
88.5
1.30 –0.54
8.5
7.0
3.0
25.00
86.5
0.35
2.65
1.75
5.3
77.50
118.0
2.5
21.2
213.0
85
3.00
–0.08
90.5
1.30 –0.54
8.6
7.2
3.5
25.30
88.5
0.35
3.15
1.75
5.3
79.50
201.0
3.0
31.2
364.0
87
3.00
–0.08
93.5
1.30 –0.54
8.6
7.4
3.5
31.00
90.5
0.35
3.15
1.75
5.3
81.30
204.0
3.0
31.8
370.0
88
3.00
–0.08
93.5
1.30 –0.54
8.6
7.4
3.5
31.00
91.5
0.35
3.15
1.75
5.3
82.00
209.0
3.0
32.7
380.0
90
3.00
–0.08
95.5
1.30 –0.54
8.6
7.6
3.5
33.00
93.5
0.35
3.15
1.75
5.3
84.00
199.0
3.0
31.4
364.0
92
3.00
–0.08
97.5
1.30 –0.54
8.7
7.8
3.5
35.00
95.5
0.35
3.15
1.75
5.3
85.00
201.0
3.0
32.0
371.0
95
3.00
–0.08
100.5
1.30 –0.54
8.8
8.1
3.5
37.00
98.5
0.35
3.15
1.75
5.3
88.00
195.0
3.0
31.4
365.0
97
3.00
–0.08
103.5
1.30 –0.54
9.0
8.3
3.5
41.00
100.5
0.35
3.15
1.75
5.3
90.00
193.0
3.0
31.2
364.0
98
3.00
–0.08
103.5
1.30 –0.54
9.0
8.3
3.5
41.00
101.5
0.35
3.15
1.75
5.3
91.00
191.0
3.0
31.0
361.0
100
3.00
–0.08
105.5
1.30 –0.54
9.2
8.4
3.5
42.00
103.5
0.35
3.15
1.75
5.3
93.00
188.0
3.0
30.8
359.0
102
4.00
–0.10
108.0
1.30 –0.54
9.5
8.5
3.5
55.00
106.0
0.54
4.15
2.00
6.0
108.00
439.0
3.0
72.6
846.0
105
4.00
–0.10
112.0
1.30 –0.54
9.5
8.7
3.5
56.00
109.0
0.54
4.15
2.00
6.0
112.00
436.0
3.0
73.0
850.0
107
4.00
–0.10
115.0
1.30 –0.54
9.5
8.9
3.5
60.00
111.0
0.54
4.15
2.00
6.0
114.00
425.0
3.0
71.6
834.0
108
4.00
–0.10
115.0
1.30 –0.54
9.5
8.9
3.5
60.00
112.0
0.54
4.15
2.00
6.0
115.00
419.0
3.0
71.0
825.0
110
4.00
–0.10
117.0
1.30 –0.54
10.4
9.0
3.5
64.50
114.0
0.54
4.15
2.00
6.0
117.00
415.0
3.0
71.0
824.0
112
4.00
–0.10
119.0
1.30 –0.54
10.5
9.1
3.5
72.00
116.0
0.54
4.15
2.00
6.0
119.00
418.0
3.0
72.0
837.0
115
4.00
–0.10
122.0
1,50 –0,63
10.5
9.3
3.5
74.50
119.0
0.54
4.15
2.00
6.0
122.00
409.0
3.0
71.2
829.0
117
4.00
–0.10
125.0
1,50 –0,63
10.7
9.6
3.5
75.50
121.0
0.63
4.15
2.00
6.0
124.00
399.0
3.0
70.0
814.0
118
4.00
–0.10
125.0
1,50 –0,63
10.7
9.6
3.5
75.50
122.0
0.63
4.15
2.00
6.0
125.00
394.0
3.0
69.3
807.0
120
4.00
–0.10
127.0
1,50 –0,63
11.0
9.7
3.5
77.00
124.0
0.63
4.15
2.00
6.0
127.00
396.0
3.0
70.0
818.0
122
4.00
–0.10
129.0
1,50 –0,63
11.0
9.8
4.0
78.00
126.0
0.63
4.15
2.00
6.0
129.00
399.0
3.0
71.0
829.0
125
4.00
–0.10
132.0
1,50 –0,63
11.0
10.0
4.0
79.00
129.0
0.63
4.15
2.00
6.0
132.00
385.0
3.0
70.0
809.0
127
4.00
–0.10
135.0
1,50 –0,63
11.0
10.0
4.0
81.00
131.0
0.63
4.15
2.00
6.0
135.00
383.0
3.0
70.0
808.0
128
4.00
–0.10
135.0
1,50 –0,63
11.0
10.2
4.0
81.00
132.0
0.63
4.15
2.00
6.0
136.00
378.0
3.0
69.0
802.0
130
4.00
–0.10
137.0
1,50 –0,63
11.0
10.2
4.0
82.00
134.0
0.63
4.15
2.00
6.0
138.00
374.0
3.0
69.0
801.0
132
4.00
–0.10
139.0
1,50 –0,63
11.0
10.3
4.0
83.00
136.0
0.63
4.15
2.00
6.0
140.00
366.0
3.0
68.0
789.0
135
4.00
–0.10
142.0
1,50 –0,63
11.2
10.5
4.0
84.00
139.0
0.63
4.15
2.00
6.0
143.00
358.0
3.0
67.0
781.0
137
4.00
–0.10
145.0
1,50 –0,63
11.2
10.6
4.0
86.00
141.0
0.63
4.15
2.00
6.0
145.00
356.0
3.0
67.0
780.0
138
4.00
–0.10
145.0
1,50 –0,63
11.2
10.6
4.0
86.00
142.0
0.63
4.15
2.00
6.0
146.00
352.0
3.0
66.5
775.0
140
4.00
–0.10
147.0
1,50 –0,63
11.2
10.7
4.0
87.50
144.0
0.63
4.15
2.00
6.0
148.00
350.0
3.0
66.5
775.0
142
4.00
–0.10
149.0
1,50 –0,63
11.3
10.8
4.0
89.00
146.0
0.63
4.15
2.00
6.0
150.00
342.0
3.0
65.5
764.0
145
4.00
–0.10
152.0
1,50 –0,63
11.4
10.9
4.0
93.00
149.0
0.63
4.15
2.00
6.0
153.00
336.0
3.0
65.0
757.0
147
4.00
–0.10
155.0
1,50 –0,63
11.8
11.1
4.0
100.00
151.0
0.63
4.15
2.00
6.0
156.00
336.0
3.0
65.0
757.0
148
4.00
–0.10
155.0
1,50 –0,63
11.8
11.1
4.0
100.00
152.0
0.63
4.15
2.00
6.0
157.00
331.0
3.0
64.5
753.0
150
4.00
–0.10
158.0
1,50 –0,63
12.0
11.2
4.0
105.00
155.0
0.63
4.15
2.50
7.5
191.00
326.0
3.0
64.0
748.0
152
4.00
–0.10
161.0
1,50 –0,63
12.0
11.3
4.0
106.00
157.0
0.63
4.15
2.50
7.5
202.00
326.0
3.5
55.0
747.0
155
4.00
–0.10
164.0
1,50 –0,63
12.0
11.4
4.0
107.00
160.0
0.63
4.15
2.50
7.5
206.00
324.0
3.5
55.0
743.0
157
4.00
–0.10
167.0
1,50 –0,63
12.3
11.5
4.0
109.00
162.0
0.63
4.15
2.50
7.5
208.00
328.0
3.5
55.5
752.0
158
4.00
–0.10
167.0
1,50 –0,63
12.3
11.5
4.0
109.00
163.0
0.63
4.15
2.50
7.5
210.00
326.0
3.5
55.0
747.0
160
4.00
–0.10
169.0
1,50 –0,63
13.0
11.6
4.0
110.00
165.0
0.63
4.15
2.50
7.5
212.00
321.0
3.5
54.5
737.0
162
4.00
–0.10
171.5
1,50 –0,63
13.0
11.7
4.0
118.00
167.0
0.63
4.15
2.50
7.5
215.00
321.0
3.5
54.5
736.0
165
4.00
–0.10
174.5
1,50 –0,63
13.0
11.8
4.0
125.00
170.0
0.63
4.15
2.50
7.5
219.00
319.0
3.5
54.0
732.0
167
4.00
–0.10
177.5
1,50 –0,63
13.5
12.1
4.0
135.00
172.0
0.63
4.15
2.50
7.5
221.00
355.0
3.5
60.0
814.0
168
4.00
–0.10
177.5
1,50 –0,63
13.5
12.1
4.0
135.00
173.0
0.63
4.15
2.50
7.5
223.00
353.0
3.5
60.0
810.0
170
4.00
–0.10
179.5
1,50 –0,63
13.5
12.2
4.0
140.00
175.0
0.63
4.15
2.50
7.5
225.00
349.0
3.5
59.0
800.0
172
4.00
–0.10
181.5
1.70 –0.72
13.5
12.5
4.0
145.00
177.0
0.63
4.15
2.50
7.5
228.00
357.0
3.5
60.0
818.0
175
4.00
–0.10
184.5
1.70 –0.72
13.5
12.7
4.0
150.00
180.0
0.63
4.15
2.50
7.5
232.00
351.0
3.5
59.0
804.0
177
4.00
–0.10
187.5
1.70 –0.72
14.2
12.9
4.0
162.00
182.0
0.72
4.15
2.50
7.5
235.00
346.0
3.5
58.5
794.0
178
4.00
–0.10
187.5
1.70 –0.72
14.2
12.9
4.0
162.00
183.0
0.72
4.15
2.50
7.5
236.00
344.0
3.5
58.0
789.0
180
4.00
–0.10
189.5
1.70 –0.72
14.2
13.2
4.0
165.00
185.0
0.72
4.15
2.50
7.5
238.00
347.0
3.5
58.5
796.0
182
4.00
–0.10
191.5
1.70 –0.72
14.2
13.5
4.0
168.00
187.0
0.72
4.15
2.50
7.5
241.00
355.0
3.5
60.0
814.0
185
4.00
–0.10
194.5
1.70 –0.72
14.2
13.7
4.0
170.00
190.0
0.72
4.15
2.50
7.5
245.00
349.0
3.5
59.0
800.0
187
4.00
–0.10
197.5
1.70 –0.72
14.2
13.8
4.0
174.00
192.0
0.72
4.15
2.50
7.5
248.00
345.0
3.5
58.5
792.0
188
4.00
–0.10
197.5
1.70 –0.72
14.2
13.8
4.0
174.00
193.0
0.72
4.15
2.50
7.5
249.00
343.0
3.5
58.0
786.0
190
4.00
–0.10
199.5
1.70 –0.72
14.2
13.8
4.0
175.00
195.0
0.72
4.15
2.50
7.5
251.00
340.0
3.5
57.5
779.0
192
4.00
–0.10
201.5
1.70 –0.72
14.2
13.8
4.0
178.00
197.0
0.72
4.15
2.50
7.5
254.00
336.0
3.5
57.0
770.0
195
4.00
–0.10
204.5
1.70 –0.72
14.2
13.8
4.0
183.00
200.0
0.72
4.15
2.50
7.5
258.00
330.0
3.5
55.5
756.0
197
4.00
–0.10
207.5
1.70 –0.72
14.2
14.0
4.0
190.00
202.0
0.72
4.15
2.50
7.5
260.00
330.0
3.5
55.5
756.0
198
4.00
–0.10
207.5
1.70 –0.72
14.2
14.0
4.0
190.00
203.0
0.72
4.15
2.50
7.5
262.00
329.0
3.5
55.5
754.0
200
4.00
–0.10
209.5
1.70 –0.72
14.2
14.0
4.0
195.00
205.0
0.72
4.15
2.50
7.5
265.00
325.0
3.5
55.0
745.0
202
5.00
–0.12
214.0
1.70 –0.72
14.2
14.0
4.0
210.00
208.0
0.72
5.15
3.00
9.0
321.00
625.0
4.0
92.5
1432.0
205
5.00
–0.12
217.0
1.70 –0.72
14.2
14.0
4.0
225.00
211.0
0.72
5.15
3.00
9.0
326.00
616.0
4.0
91.5
1411.0
207
5.00
–0.12
217.0
1.70 –0.72
14.2
14.0
4.0
225.00
213.0
0.72
5.15
3.00
9.0
329.00
610.0
4.0
90.0
1399.0
208
5.00
–0.12
222.0
1.70 –0.72
14.2
14.0
4.0
270.00
214.0
0.72
5.15
3.00
9.0
331.00
607.0
4.0
90.0
1392.0
210
5.00
–0.12
222.0
1.70 –0.72
14.2
14.0
4.0
270.00
216.0
0.72
5.15
3.00
9.0
333.00
601.0
4.0
89.5
1378.0
212
5.00
–0.12
222.0
1.70 –0.72
14.2
14.0
4.0
270.00
218.0
0.72
5.15
3.00
9.0
337.00
596.0
4.0
88.5
1367.0
215
5.00
–0.12
227.0
1.70 –0.72
14.2
14.0
4.0
300.00
221.0
0.72
5.15
3.00
9.0
341.00
586.0
4.0
87.0
1343.0
217
5.00
–0.12
227.0
1.70 –0.72
14.2
14.0
4.0
300.00
223.0
0.72
5.15
3.00
9.0
345.00
581.0
4.0
86.0
1331.0
218
5.00
–0.12
232.0
1.70 –0.72
14.2
14.0
4.0
315.00
224.0
0.72
5.15
3.00
9.0
346.00
580.0
4.0
86.0
1329.0
220
5.00
–0.12
232.0
1.70 –0.72
14.2
14.0
4.0
315.00
226.0
0.72
5.15
3.00
9.0
349.00
574.0
4.0
85.0
1316.0
222
5.00
–0.12
232.0
1.70 –0.72
14.2
14.0
4.0
315.00
228.0
0.72
5.15
3.00
9.0
353.00
568.0
4.0
84.0
1303.0
225
5.00
–0.12
237.0
1.70 –0.72
14.2
14.0
4.0
323.00
231.0
0.72
5.15
3.00
9.0
357.00
560.0
4.0
83.0
1283.0
227
5.00
–0.12
237.0
1.70 –0.72
14.2
14.0
4.0
323.00
233.0
0.72
5.15
3.00
9.0
361.00
555.0
4.0
82.0
1271.0
228
5.00
–0.12
242.0
1.70 –0.72
14.2
14.0
4.0
330.00
234.0
0.72
5.15
3.00
9.0
362.00
554.0
4.0
82.0
1268.0
230
5.00
–0.12
242.0
1.70 –0.72
14.2
14.0
4.0
330.00
236.0
0.72
5.15
3.00
9.0
365.00
549.0
4.0
81.0
1259.0
232
5.00
–0.12
242.0
2.00 –0,81
14.2
14.0
4.0
330.00
238.0
0.72
5.15
3.00
9.0
369.00
544.0
4.0
80.5
1246.0
235
5.00
–0.12
247.0
2.00 –0,81
14.2
14.0
4.0
338.00
241.0
0.72
5.15
3.00
9.0
373.00
536.0
4.0
79.5
1229.0
237
5.00
–0.12
247.0
2.00 –0,81
14.2
14.0
4.0
338.00
243.0
0.72
5.15
3.00
9.0
376.00
531.0
4.0
79.0
1217.0
238
5.00
–0.12
252.0
2.00 –0,81
14.2
14.0
4.0
345.00
244.0
0.72
5.15
3.00
9.0
378.00
530.0
4.0
79.0
1214.0
240
5.00
–0.12
252.0
2.00 –0,81
14.2
14.0
4.0
345.00
246.0
0.72
5.15
3.00
9.0
380.00
525.0
4.0
77.5
1204.0
242
5.00
–0.12
252.0
2.00 –0,81
14.2
14.0
4.0
345.00
248.0
0.81
5.15
3.00
9.0
385.00
521.0
4.0
77.0
1194.0
245
5.00
–0.12
257.0
2.00 –0,81
14.2
14.0
4.0
353.00
251.0
0.81
5.15
3.00
9.0
389.00
514.0
4.0
76.5
1178.0
247
5.00
–0.12
257.0
2.00 –0,81
14.2
14.0
4.0
353.00
253.0
0.81
5.15
3.00
9.0
392.00
509.0
4.0
76.0
1167.0
248
5.00
–0.12
262.0
2.00 –0,81
14.2
14.0
4.0
360.00
254.0
0.81
5.15
3.00
9.0
394.00
507.0
4.0
75.5
1163.0
250
5.00
–0.12
262.0
2.00 –0,81
14.2
14.0
4.0
360.00
256.0
0.81
5.15
3.00
9.0
396.00
504.0
4.0
75.0
1155.0
252
5.00
–0.12
262.0
2.00 –0,81
14.2
16.0
5.0
360.00
260.0
0.81
5.15
4.00
12.0
535.00
557.0
4.0
83.0
1277.0
255
5.00
–0.12
270.0
2.00 –0,81
16.2
16.0
5.0
368.00
263.0
0.81
5.15
4.00
12.0
541.00
549.0
4.0
81.5
1259.0
257
5.00
–0.12
270.0
2.00 –0,81
16.2
16.0
5.0
368.00
265.0
0.81
5.15
4.00
12.0
546.00
545.0
4.0
81.0
1249.0
258
5.00
–0.12
275.0
2.00 –0,81
16.2
16.0
5.0
375.00
266.0
0.81
5.15
4.00
12.0
548.00
543.0
4.0
80.5
1244.0
260
5.00
–0.12
275.0
2.00 –0,81
16.2
16.0
5.0
375.00
268.0
0.81
5.15
4.00
12.0
553.00
538.0
4.0
80.0
1234.0
262
5.00
–0.12
275.0
2.00 –0,81
16.2
16.0
5.0
375.00
270.0
0.81
5.15
4.00
12.0
556.00
535.0
4.0
79.0
1227.0
265
5.00
–0.12
280.0
2.00 –0,81
16.2
16.0
5.0
383.00
273.0
0.81
5.15
4.00
12.0
563.00
528.0
4.0
78.5
1210.0
267
5.00
–0.12
280.0
2.00 –0,81
16.2
16.0
5.0
383.00
275.0
0.81
5.15
4.00
12.0
566.00
524.0
4.0
78.0
1201.0
268
5.00
–0.12
285.0
2.00 –0,81
16.2
16.0
5.0
388.00
276.0
0.81
5.15
4.00
12.0
570.00
522.0
4.0
77.5
1196.0
270
5.00
–0.12
285.0
2.00 –0,81
16.2
16.0
5.0
388.00
278.0
0.81
5.15
4.00
12.0
573.00
518.0
4.0
77.0
1188.0
272
5.00
–0.12
285.0
2.00 –0,81
16.2
16.0
5.0
388.00
280.0
0.81
5.15
4.00
12.0
577.00
515.0
4.0
76.5
1180.0
275
5.00
–0.12
290.0
2.00 –0,81
16.2
16.0
5.0
393.00
283.0
0.81
5.15
4.00
12.0
585.00
509.0
4.0
75.5
1167.0
277
5.00
–0.12
290.0
2.00 –0,81
16.2
16.0
5.0
393.00
285.0
0.81
5.15
4.00
12.0
587.00
505.0
4.0
75.0
1158.0
278
5.00
–0.12
295.0
2.00 –0,81
16.2
16.0
5.0
400.00
286.0
0.81
5.15
4.00
12.0
590.00
504.0
4.0
75.0
1154.0
280
5.00
–0.12
295.0
2.00 –0,81
16.2
16.0
5.0
400.00
288.0
0.81
5.15
4.00
12.0
593.00
499.0
4.0
74.0
1145.0
282
5.00
–0.12
295.0
2.00 –0,81
16.2
16.0
5.0
400.00
290.0
0.81
5.15
4.00
12.0
599.00
497.0
4.0
74.0
1138.0
285
5.00
–0.12
300.0
2.00 –0,81
16.2
16.0
5.0
408.00
293.0
0.81
5.15
4.00
12.0
605.00
491.0
4.0
73.0
1124.0
287
5.00
–0.12
300.0
2.00 –0,81
16.2
16.0
5.0
408.00
295.0
0.81
5.15
4.00
12.0
610.00
487.0
4.0
72.0
1117.0
288
5.00
–0.12
305.0
2.00 –0,81
16.2
16.0
5.0
415.00
296.0
0.81
5.15
4.00
12.0
611.00
485.0
4.0
72.0
1111.0
290
5.00
–0.12
305.0
2.00 –0,81
16.2
16.0
5.0
415.00
298.0
0.81
5.15
4.00
12.0
615.00
482.0
4.0
71.5
1104.0
292
5.00
–0.12
305.0
2.00 –0,81
16.2
16.0
5.0
415.00
300.0
0.81
5.15
4.00
12.0
620.00
479.0
4.0
71.0
1098.0
295
5.00
–0.12
310.0
2.00 –0,81
16.2
16.0
5.0
426.00
303.0
0.81
5.15
4.00
12.0
625.00
474.0
4.0
70.5
1087.0
297
5.00
–0.12
310.0
2.00 –0,81
16.2
16.0
5.0
426.00
305.0
0.81
5.15
4.00
12.0
630.00
471.0
4.0
70.5
1079.0
298
5.00
–0.12
315.0
2.00 –0,81
16.2
16.0
5.0
435.00
306.0
0.81
5.15
4.00
12.0
631.00
469.0
4.0
69.5
1075.0
300
5.00
–0.12
315.0
2.00 –0,81
16.2
16.0
5.0
435.00
308.0
0.81
5.15
4.00
12.0
636.00
466.0
4.0
69.0
1068.0
305
6.00
–0.15
322.0
2.00 –0,90
16 (20)
6.0
755.00
315.0
0.81
6.20
5.00
15.0
810.00
961.0
5.0
114.0
2202.0
310
6.00
–0.15
327.0
2.00 –0,90
16 (20)
6.0
770.00
320.0
0.89
6.20
5.00
15.0
823.00
947.0
5.0
113.0
2169.0
315
6.00
–0.15
332.0
2.00 –0,90
16 (20)
6.0
785.00
325.0
0.89
6.20
5.00
15.0
837.00
934.0
5.0
111.0
2140.0
320
6.00
–0.15
337.0
2.00 –0,90
16 (20)
6.0
800.00
330.0
0.89
6.20
5.00
15.0
850.00
919.0
5.0
109.0
2105.0
325
6.00
–0.15
342.0
2.00 –0,90
16 (20)
6.0
810.00
335.0
0.89
6.20
5.00
15.0
864.00
906.0
5.0
108.0
2076.0
330
6.00
–0.15
347.0
2.00 –0,90
16 (20)
6.0
820.00
340.0
0.89
6.20
5.00
15.0
876.00
894.0
5.0
106.0
2048.0
335
6.00
–0.15
352.0
2.00 –0,90
16 (20)
6.0
830.00
345.0
0.89
6.20
5.00
15.0
890.00
880.0
5.0
105.0
2017.0
340
6.00
–0.15
357.0
2.00 –0,90
16 (20)
6.0
840.00
350.0
0.89
6.20
5.00
15.0
903.00
869.0
5.0
104.0
1991.0
345
6.00
–0.15
362.0
2.00 –0,90
16 (20)
6.0
855.00
355.0
0.89
6.20
5.00
15.0
916.00
857.0
5.0
102.0
1964.0
350
6.00
–0.15
367.0
2.00 –0,90
16 (20)
6.0
870.00
360.0
0.89
6.20
5.00
15.0
929.00
846.0
5.0
101.0
1938.0
355
6.00
–0.15
372.0
2.00 –0,90
16 (20)
6.0
880.00
365.0
0.89
6.20
5.00
15.0
942.00
834.0
5.0
99.0
1910.0
360
6.00
–0.15
377.0
2.00 –0,90
16 (20)
6.0
890.00
370.0
0.89
6.20
5.00
15.0
955.00
823.0
5.0
98.0
1886.0
365
6.00
–0.15
382.0
2.00 –0,90
16 (20)
6.0
906.00
375.0
0.89
6.20
5.00
15.0
968.00
813.0
5.0
97.0
1862.0
370
6.00
–0.15
387.0
2.00 –0,90
16 (20)
6.0
920.00
380.0
0.89
6.20
5.00
15.0
981.00
803.0
5.0
95.0
1839.0
375
6.00
–0.15
392.0
2.00 –0,90
16 (20)
6.0
932.00
385.0
0.89
6.20
5.00
15.0
994.00
793.0
5.0
94.0
1817.0
380
6.00
–0.15
397.0
2.00 –0,90
16 (20)
6.0
940.00
390.0
0.89
6.20
5.00
15.0
1008.00
784.0
5.0
93.0
1796.0
385
6.00
–0.15
402.0
2.00 –1,00
16 (20)
6.0
950.00
395.0
0.89
6.20
5.00
15.0
1021.00
774.0
5.0
92.0
1774.0
390
6.00
–0.15
407.0
2.00 –1,00
16 (20)
6.0
960.00
400.0
0.89
6.20
5.00
15.0
1033.00
764.0
5.0
91.0
1751.0
395
6.00
–0.15
412.0
2.00 –1,00
16 (20)
6.0
972.00
405.0
1.00
6.20
5.00
15.0
1047.00
756.0
5.0
90.0
1732.0
400
6.00
–0.15
417.0
2.00 –1,00
16 (20)
6.0
980.00
410.0
1.00
6.20
5.00
15.0
1060.00
746.0
5.0
89.0
1710.0
410
7.00
–0.15
430.0
2.00 –1,00
23 (26)
6.0
1380.00
422.0
1.00
7.20
6.00
18.0
1307.00
1512.0
6.0
150.0
3463.0
420
7.00
–0.15
440.0
2.00 –1,00
23 (26)
6.0
1410.00
432.0
1.00
7.20
6.00
18.0
1338.00
1480.0
6.0
147.0
3391.0
430
7.00
–0.15
450.0
2.00 –1,00
23 (26)
6.0
1440.00
442.0
1.00
7.20
6.00
18.0
1369.00
1446.0
6.0
144.0
3312.0
440
7.00
–0.15
460.0
2.00 –1,00
23 (26)
6.0
1470.00
452.0
1.00
7.20
6.00
18.0
1401.00
1418.0
6.0
141.0
3248.0
450
7.00
–0.15
470.0
2.00 –1,00
23 (26)
6.0
1510.00
462.0
1.00
7.20
6.00
18.0
1431.00
1388.0
6.0
138.0
3180.0
460
7.00
–0.15
480.0
2.00 –1,00
23 (26)
6.0
1550.00
472.0
1.00
7.20
6.00
18.0
1464.00
1360.0
6.0
135.0
3116.0
470
7.00
–0.15
490.0
2.00 –1,00
23 (26)
6.0
1595.00
482.0
1.00
7.20
6.00
18.0
1495.00
1330.0
6.0
132.0
3048.0
480
7.00
–0.15
500.0
2.00 –1,00
23 (26)
6.0
1640.00
492.0
1.00
7.20
6.00
18.0
1526.00
1306.0
6.0
130.0
2991.0
490
7.00
–0.15
510.0
3,00 –1,50
23 (26)
6.0
1685.00
502.0
1.00
7.20
6.00
18.0
1558.00
1280.0
6.0
127.0
2931.0
500
7.00
–0.15
520.0
3,00 –1,50
23 (26)
6.0
1730.00
512.0
1.00
7.20
6.00
18.0
1588.00
1256.0
6.0
125.0
2878.0
510
8.00
–0.15
535.0
3,00 –1,50
23 (26)
6.0
2250.00
524.0
1.00
8.20
7.00
21.0
1894.00
1834.0
7.0
156.0
4201.0
520
8.00
–0.15
545.0
3,00 –1,50
23 (26)
6.0
2290.00
534.0
1.00
8.20
7.00
21.0
1931.00
1802.0
7.0
153.0
4128.0
530
8.00
–0.15
555.0
3,00 –1,50
23 (26)
6.0
2335.00
544.0
1.00
8.20
7.00
21.0
1968.00
1768.0
7.0
150.0
4049.0
540
8.00
–0.15
565.0
3,00 –1,50
23 (26)
6.0
2380.00
554.0
1.00
8.20
7.00
21.0
2004.00
1738.0
7.0
148.0
3981.0
550
8.00
–0.15
575.0
3,00 –1,50
23 (26)
6.0
2430.00
564.0
1.00
8.20
7.00
21.0
2041.00
1711.0
7.0
145.0
3919.0
560
8.00
–0.15
585.0
3,00 –1,50
23 (26)
6.0
2495.00
574.0
1.00
8.20
7.00
21.0
2078.00
1682.0
7.0
143.0
3852.0
570
8.00
–0.15
595.0
3,00 –1,50
23 (26)
6.0
2560.00
584.0
1.00
8.20
7.00
21.0
2114.00
1650.0
7.0
141.0
3790.0
580
8.00
–0.15
605.0
3,00 –1,50
23 (26)
6.0
2625.00
594.0
1.00
8.20
7.00
21.0
2151.00
1627.0
7.0
138.0
3728.0
590
8.00
–0.15
615.0
3,00 –1,50
23 (26)
6.0
2700.00
604.0
1.00
8.20
7.00
21.0
2188.00
1601.0
7.0
136.0
3668.0
600
8.00
–0.15
625.0
3,00 –1,50
23 (26)
6.0
2770.00
614.0
1.00
8.20
7.00
21.0
2221.00
1571.0
7.0
134.0
3598.0
650
9.00
–0,20
680.0
3,00 –1,50
23 (34)
6.0
3600.00
666.0
1.00
9.30
8.00
24.0
2753.00
2654.0
7.0
226.0
6078.0
700
9.00
–0,20
730.0
4.00 –2.00
23 (34)
6.0
4120.00
716.0
1.00
9.30
8.00
24.0
2966.00
2471.0
7.0
210.0
5661.0
750
9.00
–0,20
785.0
4.00 –2.00
23 (34)
9.0
4540.00
768.0
1.00
9.30
9.00
27.0
3566.00
2310.0
7.0
196.0
5285.0
800
9.00
–0,20
835.0
4.00 –2.00
23 (34)
9.0
5450.00
818.0
1.00
9.30
9.00
27.0
3800.00
2176.0
7.0
184.0
4980.0
850
9.00
–0,20
890.0
4.00 –2.00
23 (34)
9.0
5990.00
870.0
1.00
9.30
10.00
30.0
4500.00
2045.0
7.0
173.0
4680.0
900
9.00
–0,20
940.0
4.00 –2.00
23 (34)
9.0
6740.00
920.0
1.00
9.30
10.00
30.0
4766.00
1938.0
7.0
164.0
4435.0
950
9.00
–0,20
1000.0
4.00 –2.00
23 (34)
9.0
7930.00
972.0
1.00
9.30
11.00
33.0
5608.00
1840.0
7.0
156.0
4210.0
1000
9.00
–0,20
1050.0
4.00 –2.00
23 (34)
9.0
8880.00
1022.0
1.00
9.30
11.00
33.0
5825.00
1752.0
7.0
148.0
4010.0
O nama
Anhui Ningguo Dongbo Squarener Co., Ltd.
Dongbo je osnovan u rujnu 2005. s registriranim kapitalom od 47,72 milijuna. Nalazi se u nacionalnoj zoni ekonomskog i tehnološkog razvoja Ningguo, pokriva površinu od 91 hektara, a trenutno ima više od 420 zaposlenih. Tvrtka se usredotočila na proizvodnju zadržavanja prstenova već 46 godina i profesionalna je veleprodaja Snap prstenova Proizvođači i OEM/ODM tvornice pričvrsnih prstenova, proizvodeći perilice (okrugli, leptir, sferični), pridržavanje prstenova, elastične cilindrične priloge i druge serije proizvoda koji se ne prilagođavaju. To je visokotehnološko poduzeće s velikim razmjerima, višestrukim sortama, kompletnim specifikacijama i integriranom proizvodnjom, istraživanjem i razvojem i prodajom u industriji.
Potvrda o časti
  • CNA
  • IATF16949
  • Certifikati
  • ISO14001
  • Certifikati
  • Certifikati
  • Certifikati
  • Certifikati
  • Certifikati
  • Certifikati
  • Certifikati
  • Certifikati

Vijesti

  • Apr 27,2026

    Nestandardni dijelovi za utiskivanje: Potpuni vodič

    Što su nestandardni dijelovi za žigosanje i kada vam trebaju NESTANDARDNI DIJELOVI ZA ŠTAMPANJE su precizne metalne komponente proizvedene procesima utiskivanja — upotrebom matrica i probija...

    Pogledajte više
  • Apr 22,2026

    Ugradnja i uklanjanje vanjskog osigurača: vodič korak po korak

    Vanjski osigurači su među najpouzdanijim i najisplativijim spojnim elementima u strojogradnji. Nalaze se u svemu, od automobilskih mjenjača do industrijskih transportnih sustava, pružaju kompaktno rješenje za sprječav...

    Pogledajte više
  • Apr 15,2026

    Vodič za uskočne prstene: vrste, upotreba i odabir

    Razumijevanje temeljne funkcije uskočnih prstenova Uskočni prstenovi , koji se često nazivaju sigurnosnim prstenovima ili osiguračima, služe vrlo specifičnoj mehaničkoj svrsi: oni ograničavaju aksijalno kreta...

    Pogledajte više
  • Apr 08,2026

    Nestandardni dijelovi za utiskivanje: Industrijski vodič

    Inženjerska preciznost u proizvodnji nestandardnih dijelova za štancanje Nestandardni dijelovi za utiskivanje predstavljaju ključno proizvodno rješenje za industrije koje zahtijevaju komponente koje odstupaju od ko...

    Pogledajte više
METRICI UNUTARNI CIRCLIPS-DIN472 Industry knowledge

Uloga krugova DIN 472 u osiguravanju sigurnog aksijalnog položaja u kružnim rupama

DIN 472 Standard definira specifikacije za unutarnje krugove, koje su ugrađene u unaprijed obrađene utore unutar kružnih rupa. Ovi krugovi dizajnirani su tako da osiguraju sigurno uklapanje u kontroliranu radijalnu silu prema zidovima utora. Njihova primarna funkcija je zadržati komponente aksijalno na osovini ili unutar provrta, sprječavajući neželjeno kretanje tijekom rada.

Za razliku od vanjskih krugova, koji su ugrađeni na vanjsku površinu osovine, unutarnji krugovi DIN 472 dizajnirani su tako da se čvrsto uklapaju u rupu, s njihovim vanjskim promjerom nešto većim od promjera sastavljene kružne rupe. Ova smetnja osigurava da krug ostaje sigurno sjedeći, čak i u dinamičnim uvjetima kao što su udar, vibracije ili rotacije velike brzine.

Kako funkcioniraju DIN 472 krugovi?
Učinkovitost DIN 472 krugova leži u njihovom svojstvu dizajna i materijala. Napravljeni od visokokvalitetnih materijala kao što su ugljični čelik (65mn, C67S) ili nehrđajući čelik (304, 2CR13, 1.4122), ovi krugovi posjeduju izvrsnu elastičnost, čvrstoću i otpornost umora. Kada je instaliran pomoću specijaliziranih kliješta, krug se lagano proširuje kako bi se uklopio u utor, a zatim se ugovori u izvornom obliku, stvarajući tijesno brtvljenje koje sprečava aksijalni pomak.

Ključne značajke DIN 472 KIRCLIPS Uključite:
Smetnje: osigurava da krug ostaje čvrsto sjedi u utor.
Svojstva opruge: omogućuje krugu da apsorbira udarce i vibracije bez trajne deformacije.
Precizne dimenzije: uske tolerancije osiguravaju dosljedne performanse u različitim aplikacijama.
Prijave u industriji
DIN 472 Unutarnji krugovi široko se koriste u aplikacijama gdje je aksijalno zadržavanje kritično. Neki uobičajeni primjeri uključuju:

Automobilska industrija: U motorima, sustavima prijenosa i ovjesa, DIN 472 krugovi koriste se za zadržavanje komponenti kao što su ležajevi, zupčanici i čahure, osiguravajući nesmetan rad pod velikim opterećenjima i vibracijama.
Aerospace Engineering: U zrakoplovnim komponentama poput sklopova za slijetanje i upravljačkih sustava, ovi krugovi pružaju pouzdano zadržavanje aksijalnog zadržavanja, istovremeno izdržavajući ekstremne uvjete, uključujući temperaturne fluktuacije i visokofrekventne vibracije.
Industrijski strojevi: Od transportnih sustava do teške opreme, DIN 472 krugovi su ključni za osiguranje rotirajućih ili uzvratnih dijelova, smanjenje troškova zastoja i troškova održavanja.
Medicinski uređaji: Precizno-inženjerirani krugovi koriste se u medicinskim instrumentima i dijagnostičkoj opremi, gdje se točnost i pouzdanost ne mogu pregovarati.
Odabir materijala i površinski tretmani
Da bi se ispunili zahtjevi različitih operativnih okruženja, DIN 472 Unutarnji krugovi dostupni su u raznim materijalima i površinskim tretmanima.
Uobičajene opcije uključuju:
Ugljični čelik: nudi visoku čvrstoću i izdržljivost, što ga čini prikladnim za primjene opće namjene.
Nehrđajući čelik: pruža izvrsnu otpornost na koroziju, idealno za teška okruženja poput morske ili kemijske obrade.
Površinski tretmani: Opcije poput fosfatiranja, dacrometa, geometa, pocinčanih i obloga cink-nickela pojačavaju otpornost na krug na nošenje, hrđa i razgradnju okoliša.
Ovi materijal i izbora liječenja osiguravaju da se krugovi DIN 472 mogu pouzdano izvoditi u gotovo svakoj primjeni, bilo da je izložen vlazi, kemikalijama ili ekstremnim temperaturama.

Zašto odabrati Anhui Ningguo Dongbo Squarener Co., Ltd.?
Kada je u pitanju dobivanje visokokvalitetnih unutarnjih krugova DIN 472, Anhui Ningguo Dongbo Squarener Co., Ltd., ističe se kao pouzdan partner. Osnovan u rujnu 2005. godine i smješten u zoni ekonomskog i tehnološkog razvoja Ningguo, Dongbo Pričvršćivač ima preko 46 godina iskustva u proizvodnji potpornih prstenova, perilica, elastičnih cilindričnih igara i drugih komponenti koje su izražene preciznosti.

S fokusom na inovaciju i zadovoljstvo kupaca, Dongbo pričvršćivač nudi:
Sveobuhvatni asortiman proizvoda: od standardnih krugova DIN 472 do potpuno prilagođenih rješenja prilagođenih specifičnim potrebama.
Napredne proizvodne tehnike: Korištenje vrhunske opreme i procesa kako bi se osigurala točnost i dosljednost dimenzije.
Predanost kvaliteti: rigorozni protokoli za testiranje i osiguranje kvalitete osiguravaju da svaki proizvod zadovoljava ili premašuje industrijske standarde.
One-Stop rješenja: Od masovne proizvodnje do prilagođenog razvoja, Dongbo pruža integriranu proizvodnju, istraživanje i razvoj i prodajne usluge.