+86-563-4186973

Pošaljite povratne informacije

Vanjski pričvrsni prstenovi za ležajeve osovine-Din5417 Dobavljači

Dom / Proizvodi / Snap prstenovi / Vanjski pričvrsni prstenovi za ležajeve osovine-Din5417

Kategorije proizvoda

Očisti sve

Kontaktirajte nas

Vanjski pričvrsni prstenovi za ležajeve osovine-Din5417

Vanjski pričvrsni prstenovi za ležajeve osovine je uređaj koji se koristi za sprečavanje rada u stambenom stazu, njegova glavna uloga je popraviti ležaj, a ne kočenje, ova vrsta unutarnjeg promjera tjedna je zaobljena, da bolje popravite, ugradnja ždrebnog prstena također treba imati istog s unutarnjim dijametrom.

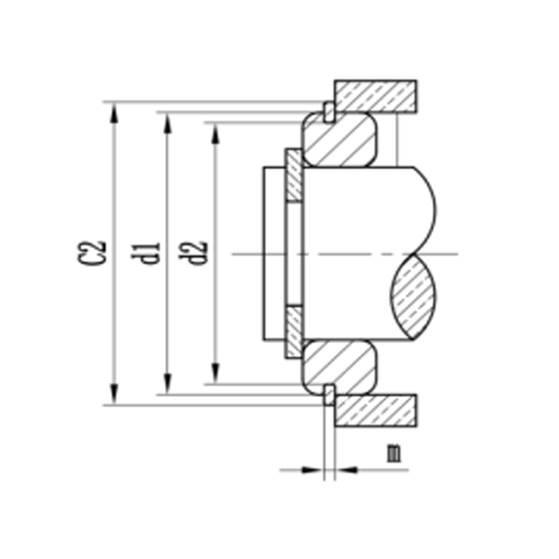
D1: Specifikacija/nominalna veličina; S: Debljina; D3: unutarnji promjer; ≈e: otvaranje; R: Unutarnji promjer r kut; B: Širina ramena; WT: Težina; FN: kapacitet ležaja u žljebovima; FR: kapacitet ležaja držača (pravi kut); G: Veličina Chamfera; FRG: kapacitet ležaja držača (Chamfer); Nabl: ograničava brzinu;

Vanjski pričvrsni prstenovi za ležajeve osovine-Din5417

D1 S Tol d3 Tol E (≈) R (min) b Tol WT (G) d2 Tol m Tol FN (KN) FR (KN) g FRG (KN) n abl
30
1.12
–0.1
27.4
0.4
3
0.4
3.25
–0.15
2.8
28.17
–0.25
1.35
0.3
13.7
16.6
2
2.91
16
32
1.12
–0.1
29.4
0.4
3
0.4
3.25
–0.15
3
30.15
–0.25
1.35
0.3
14.6
14.6
2
2.57
13
35
1.12
–0.1
32.4
0.4
3
0.4
3.25
–0.15
3.2
33.17
–0.25
1.35
0.3
16
13.4
2
2.42
11
37
1.12
–0.1
34
0.4
3
0.4
3.25
–0.15
3.4
34.77
–0.25
1.35
0.3
20.7
13.6
2
2.45
10
40
1.12
–0.1
37.3
0.4
3
0.4
3.25
–0.15
3.6
38.1
–0.25
1.35
0.3
19.3
13.5
2
2.5
8
42
1.12
–0.1
38.9
0.5
3
0.4
3.25
–0.15
3.8
39.75
–0.25
1.35
0.3
23.5
12.9
2
2.39
7
44
1.12
–0.1
40.9
0.5
3
0.4
3.25
–0.15
4
41.75
–0.25
1.35
0.3
24.6
12.4
2
2.29
7
47
1.12
–0.1
43.7
0.5
4
0.4
4.04
–0.15
5.3
44.6
–0.25
1.35
0.3
28.8
12.1
2
2.29
7
50
1.12
–0.1
46.7
0.5
4
0.4
4.04
–0.15
5.8
47.6
–0.25
1.35
0.3
30.6
13.3
2
2.6
6
52
1.12
–0.1
48.8
0.5
4
0.4
4.04
–0.15
5.9
49.73
–0.25
1.35
0.3
31.6
12.8
2.5
2.01
6
55
1.12
–0.1
51.7
0.5
4
0.4
4.04
–0.15
6.2
52.6
–0.25
1.35
0.3
33.8
11.8
2.5
1.9
5
56
1.12
–0.1
52.4
0.8
4
0.4
4.04
–0.15
6.5
53.6
–0.25
1.35
0.3
34.5
12.1
2.5
1.95
5
58
1.12
–0.1
54.4
0.8
4
0.4
4.04
–0.15
6.7
55.6
–0.25
1.35
0.3
35.6
11.5
2.5
1.89
5
62
1.7
–0.1
58.2
0.8
4
0.6
4.04
–0.15
10.5
59.61
–0,50
1.9
0.3
38.1
37.6
2.5
6.18
5
65
1.7
–0.1
61.2
0.8
4
0.6
4.04
–0.15
11
62.6
–0,50
1.9
0.3
40
34.9
2.5
5.89
4
68
1.7
–0.1
63.4
0.8
5
0.6
4.85
–0.15
12.6
64.82
–0,50
1.9
0.3
55.5
40.9
2.5
7.06
4
72
1.7
–0.1
67.4
0.8
5
0.6
4.85
–0.15
14.7
68.81
–0,50
1.9
0.3
59
38.9
2.5
6.71
4
75
1.7
–0.1
70.4
0.8
5
0.6
4.85
–0.15
15.3
71.83
–0,50
1.9
0.3
61.5
36.6
2.5
6.46
3
80
1.7
–0.1
75.4
0.8
5
0.6
4.85
–0.15
16.3
76.81
–0,50
1.9
0.3
65.7
34.8
3
5.25
3
85
1.7
–0.1
80.4
0.8
5
0.6
4.85
–0.15
17.5
81.81
–0,50
1.9
0.3
70
33.5
3
5.16
3
90
2.46
–0.1
85.4
0.8
5
0.7
4.85
–0.15
26.6
86.79
–0,50
2.7
0.3
74
93.9
3
14.8
2
95
2.46
–0.1
90.4
0.8
5
0.7
4.85
–0.15
28.2
91.82
–0,50
2.7
0.3
76.3
86.8
3.5
12
2
100
2.46
–0.1
95.2
1
5
0.7
4.85
–0.15
29.2
96.8
–0,50
2.7
0.3
82.5
80.8
3.5
11.4
2
110
2.46
–0.1
105.2
1
5
0.7
4.85
–0.15
32.8
106.81
–0,50
2.7
0.3
90.7
71.2
3.5
10.4
1
115
2.46
–0.1
110.2
1
5
0.7
4.85
–0.15
34.4
111.81
–0,50
2.7
0.3
97.7
66.6
3.5
10
1
120
2.82
–0.1
113.6
1
7
0.7
7.21
–0.15
60.6
115.21
–0,50
3.1
0.3
143
140
3.5
21.3
2
125
2.82
–0.1
118.6
1
7
0.7
7.21
–0.15
63
120.22
–0,50
3.1
0.3
155
132
4
17.9
2
130
2.82
–0.1
123.6
1
7
0.7
7.21
–0.15
65.6
125.22
–0,50
3.1
0.3
166
124.7
4
17.3
1
140
2.82
–0.1
133
1.6
7
0.7
7.21
–0.15
70.6
135.23
–0,50
3.1
0.3
180
111.6
4
16
1
145
2.82
–0.1
138
1.6
7
0.7
7.21
–0.15
73
140.23
–0,50
3.1
0.3
186
106.4
4
15.5
1
150
2.82
–0.1
142.9
1.6
7
0.7
7.21
–0.15
77.2
145.24
–0,50
3.1
0.3
193
101.5
4
15
1
160
2.82
–0.1
152.9
1.6
7
0.7
7.21
–0.15
81
155.22
–0,50
3.1
0.3
206
92
4
14.1
1
170
3.1
–0.1
161.3
1.6
10
0.7
9.6
–0.15
122
163.65
–0,50
3.5
0.3
283
148
5
18.7
1
180
3.1
–0.1
171.2
1.6
10
0.7
9.6
–0.15
128
173.66
–0,50
3.5
0.3
292
135
5
17.7
1
190
3.1
–0.1
181
1.8
10
0.7
9.6
–0.15
139
183.64
–0,50
3.5
0.3
311
124
5
16.7
1
200
3.1
–0.1
191
1.8
10
0.7
9.6
–0.15
148
193.65
–0,50
3.5
0.3
336
116
5
16
1
210
3.1
–0.1
200.9
1.8
10
1.2
9.6
–0.15
156
203.6
–0,50
3.5
0.3
356
106
6
12.7
1
215
3.1
–0.1
205.9
1.8
10
1.2
9.6
–0.15
160
208.6
–0,50
3.5
0.3
376
103
6
12.4
1
225
3.5
–0.1
214.3
1.8
10
1.2
10
–0.15
196
217
–0,50
4.5
0.4
462
144
6
17.9
1
230
3.5
–0.1
219.2
1.8
10
1.2
10
–0.15
200
222
–0,50
4.5
0.4
473
139.1
6
17.5
1
240
3.5
–0.1
229.2
1.8
10
1.2
10
–0.15
209
232
–0,50
4.5
0.4
495
130
6
16.8
0.5
250
3.5
–0.1
239.2
1.8
10
1.2
10
–0.15
220
242
–0,50
4.5
0.4
514
122
6
16.1
0.5
260
3.5
–0.1
247.5
2.5
10
1.2
10
–0,30
230
252
–0,50
4.5
0.4
536
114
6
15.5
0.5
270
3.5
–0.1
257.5
2.5
10
1.2
10
–0,30
240
262
–0,50
4.5
0.4
556
107
6
14.9
0.5
280
3.5
–0.1
267.5
2.5
10
1.2
10
–0,30
250
272
–0,50
4.5
0.4
578
101
6
14.4
0.5
290
3.5
–0.1
277.5
2.5
10
1.2
10
–0,30
260
282
–0,50
4.5
0.4
598
95.4
6
13.9
0.4
300
4.5
–0,2
284.5
2.5
10
1.5
12
–0,30
400
290
–0,50
5.5
0.5
694
230
7
34.2
0.6
310
4.5
–0,2
294
3
10
1.5
12
–0,30
412
300
–0,50
5.5
0.5
800
218
7
28.4
0.5
320
4.5
–0,2
304
3
10
1.5
12
–0,30
420
310
–0,50
5.5
0.5
824
207
7
27.6
0.5
340
4.5
–0,2
324
3
10
1.5
12
–0,30
446
330
–0,50
5.5
0.5
875
187
7
26
0.4
360
4.5
–0,2
343
3
10
1.5
12
–0,30
475
350
–0,50
5.5
0.5
930
169
7
24.5
0.4
370
4.5
–0,2
353
3
10
1.5
12
–0,30
485
360
–0,50
5.5
0.5
955
162
7
23.8
0.4
380
4.5
–0,2
363
3
10
1.5
12
–0,30
500
370
–0,50
5.5
0.5
955
154
7
23.2
0.4
400
4.5
–0,2
383
3
10
1.5
12
–0,30
525
390
–0,50
5.5
0.5
1040
144
7
22.1
0.3
O nama
Anhui Ningguo Dongbo Squarener Co., Ltd.
Dongbo je osnovan u rujnu 2005. s registriranim kapitalom od 47,72 milijuna. Nalazi se u nacionalnoj zoni ekonomskog i tehnološkog razvoja Ningguo, pokriva površinu od 91 hektara, a trenutno ima više od 420 zaposlenih. Tvrtka se usredotočila na proizvodnju zadržavanja prstenova već 46 godina i profesionalna je veleprodaja Snap prstenova Proizvođači i OEM/ODM tvornice pričvrsnih prstenova, proizvodeći perilice (okrugli, leptir, sferični), pridržavanje prstenova, elastične cilindrične priloge i druge serije proizvoda koji se ne prilagođavaju. To je visokotehnološko poduzeće s velikim razmjerima, višestrukim sortama, kompletnim specifikacijama i integriranom proizvodnjom, istraživanjem i razvojem i prodajom u industriji.
Potvrda o časti
  • CNA
  • IATF16949
  • Certifikati
  • ISO14001
  • Certifikati
  • Certifikati
  • Certifikati
  • Certifikati
  • Certifikati
  • Certifikati
  • Certifikati
  • Certifikati

Vijesti

  • Apr 27,2026

    Nestandardni dijelovi za utiskivanje: Potpuni vodič

    Što su nestandardni dijelovi za žigosanje i kada vam trebaju NESTANDARDNI DIJELOVI ZA ŠTAMPANJE su precizne metalne komponente proizvedene procesima utiskivanja — upotrebom matrica i probija...

    Pogledajte više
  • Apr 22,2026

    Ugradnja i uklanjanje vanjskog osigurača: vodič korak po korak

    Vanjski osigurači su među najpouzdanijim i najisplativijim spojnim elementima u strojogradnji. Nalaze se u svemu, od automobilskih mjenjača do industrijskih transportnih sustava, pružaju kompaktno rješenje za sprječav...

    Pogledajte više
  • Apr 15,2026

    Vodič za uskočne prstene: vrste, upotreba i odabir

    Razumijevanje temeljne funkcije uskočnih prstenova Uskočni prstenovi , koji se često nazivaju sigurnosnim prstenovima ili osiguračima, služe vrlo specifičnoj mehaničkoj svrsi: oni ograničavaju aksijalno kreta...

    Pogledajte više
  • Apr 08,2026

    Nestandardni dijelovi za utiskivanje: Industrijski vodič

    Inženjerska preciznost u proizvodnji nestandardnih dijelova za štancanje Nestandardni dijelovi za utiskivanje predstavljaju ključno proizvodno rješenje za industrije koje zahtijevaju komponente koje odstupaju od ko...

    Pogledajte više
Vanjski pričvrsni prstenovi za ležajeve osovine-Din5417 Industry knowledge

Znanost iza DIN5417 potporni prstenovi: Učvršćivanje ležajeva zaobljenim unutarnjim promjerima

Zadržavajući prstenovi, poput DIN5417, služe jednoj, ali vitalnoj svrsi: sprječavaju da se ležajevi kreću unutar svojih kućišta ili duž osovina. Za razliku od mehanizama kočenja, koji kontroliraju kretanje, zadržavajući prstenovi usredotočeni su na fiksaciju - zaključujući da komponente ostaju sigurno na mjestu tijekom rada. Ova je stabilnost ključna za održavanje usklađivanja, smanjenje habanja i sprječavanje skupog zastoja.

Jedna od istaknutih značajki potpornog prstena DIN5417 je njegov zaobljeni unutarnji promjer. Ovaj dizajnerski element nije samo estetski; služi funkcionalnoj svrsi. Zaokruženi unutarnji promjer omogućava da se potporni prsten čvrsto uklapa u odgovarajuće zaobljeni utor na osovini, stvarajući sigurnu i stabilnu vezu. Ovaj dizajn minimizira koncentracije stresa i osigurava čak i raspodjelu sila, povećavajući trajnost i pouzdanost sklopa.

Znanost zaobljenih unutarnjih promjera
Zaobljeni unutarnji promjer DIN5417 potporni prsten svjedoči o važnosti znanosti o materijalima i inženjerstvu u dizajnu učvršćivača. Evo zašto je ova značajka tako značajna:

Poboljšana raspodjela opterećenja:
Zaobljeni unutarnji promjer smanjuje oštre rubove koji bi mogli stvoriti točke stresa. Ravnomjerno raspoređujući opterećenja preko kontaktne površine, potporni prsten može bolje izdržati dinamičke sile i vibracije.
Poboljšani prianjanje i stabilnost:
Zaokruženi profil osigurava čvršće uklapanje unutar utora, minimizirajući rizik od proklizavanja ili neusklađenosti. To je posebno važno u aplikacijama velike brzine ili teškog opterećenja gdje je preciznost kritična.
Kompatibilnost s modernim proizvodnim tehnikama:
Zaobljeni dizajn savršeno se usklađuje s naprednim procesima obrade koji se koriste za stvaranje žljebova na osovinama. Ova kompatibilnost osigurava besprijekornu integraciju i dosljedne performanse u sklopovima.
Povećani životni vijek:
Smanjivanjem koncentracije stresa i poboljšanjem mogućnosti opterećenja, zaobljeni unutarnji promjer doprinosi ukupnoj dugovječnosti i potpornog prstena i komponenti koje osigurava.

U Anhui Ningguo Dongbo Bristener Co., Ltd., usavršavali smo umjetnost i znanost o produkciji učvršćivača već više od 46 godina. Osnovana u rujnu 2005. i sa sjedištem u prestižnoj zoni ekonomskog i tehnološkog razvoja Ningguo, naša je tvrtka prerasla u lidera u industriji učvršćivača. S registriranim kapitalom od 47,72 milijuna, prostiranim objektom od 91 hektara i timom od preko 530 kvalificiranih zaposlenika, opremljeni smo za isporuku proizvoda koji udovoljavaju najvišim standardima kvalitete i performansi.

Naši DIN5417 Vanjski pridržavanje prstenova ističu se iz nekoliko razloga:
Precizna proizvodnja: Svaki potporni prsten izrađuje se pomoću vrhunske tehnologije i podvrgava se rigoroznim provjerama kvalitete kako bi se osigurala dimenzijska točnost i dosljednost.
Materijalna izvrsnost: Koristimo vrhunske materijale koji nude izuzetnu čvrstoću, otpornost na koroziju i izdržljivost, što naše proizvode čine prikladnim za širok raspon okruženja.
Mogućnosti prilagodbe: Bilo da vam trebaju standardni dijelovi ili naručena rješenja prilagođena specifičnim zahtjevima, naš tim ima stručnost za isporuku.
Sveobuhvatna podrška: Od početnog savjetovanja do usluge nakon prodaje pružamo krajnju podršku kako bismo osigurali vaše zadovoljstvo.
Inovacija vođena potrebama kupca
U Dongbu vjerujemo da inovacija započinje razumijevanjem izazova s ​​kojima se suočavaju naši kupci. Naš tim tehničkog razvoja posvećen je stvaranju rješenja koja se bave problemima u stvarnom svijetu. A DIN5417 VANJSKI SNAGE RINGE Za ležajeve osovine je sjajan primjer ove obveze. Njegov zaobljeni unutarnji promjer i snažan dizajn odražavaju našu predanost pružanju proizvoda koji ne samo da ispunjavaju, već i premašuju očekivanja.

Od masovno proizvedenih standardnih dijelova do potpuno prilagođenih komponenti, nudimo raznolik portfelj proizvoda namijenjenih u skladu s industrijama u rasponu od automobila i zrakoplovnih do teških strojeva i robe široke potrošnje. Naša sposobnost prilagođavanja evoluiranim zahtjevima tržišta izdvaja nas kao pouzdanog partnera za tvrtke širom svijeta.

Gledajući unaprijed: Budućnost tehnologije zadržavanja prstena
Kako industrije i dalje napreduju, potražnja za inovativnim rješenjima za pričvršćivanje samo će rasti. U Dongbou ostajemo posvećeni guranju granica onoga što je moguće. Naše stalno ulaganje u istraživanje i razvoj osigurava da ostanemo na čelu tehnološkog napretka, pružajući proizvode koji kombiniraju preciznost, trajnost i učinkovitost.

DIN5417 Vanjski pričvrsni prsten predstavlja samo jednu prekretnicu na našem putovanju ka izvrsnosti. Svojim zaobljenim unutarnjim promjerom i superiornim performansama utjelovljuje znanost i zanatstvo koje definiraju našu marku.