+86-563-4186973

Pošaljite povratne informacije

Teški protivni vanjski vanjski SNAP RING-M2400 SW Dobavljači

Dom / Proizvodi / Snap prstenovi / Teški protivni vanjski vanjski SNAP RING-M2400 SW

Kategorije proizvoda

Očisti sve

Kontaktirajte nas

Teški protivni vanjski vanjski SNAP RING-M2400 SW

Vanjski škakljivi prsten s teškim udjelom je uređaj koji se koristi za sprečavanje rada u stanju ležaja, njegova glavna uloga je popraviti ležaj, a ne kočenje, koji se sada koristi u izravnom oblikovanju tvrdog materijala, veličina konzistencije je bolja. $

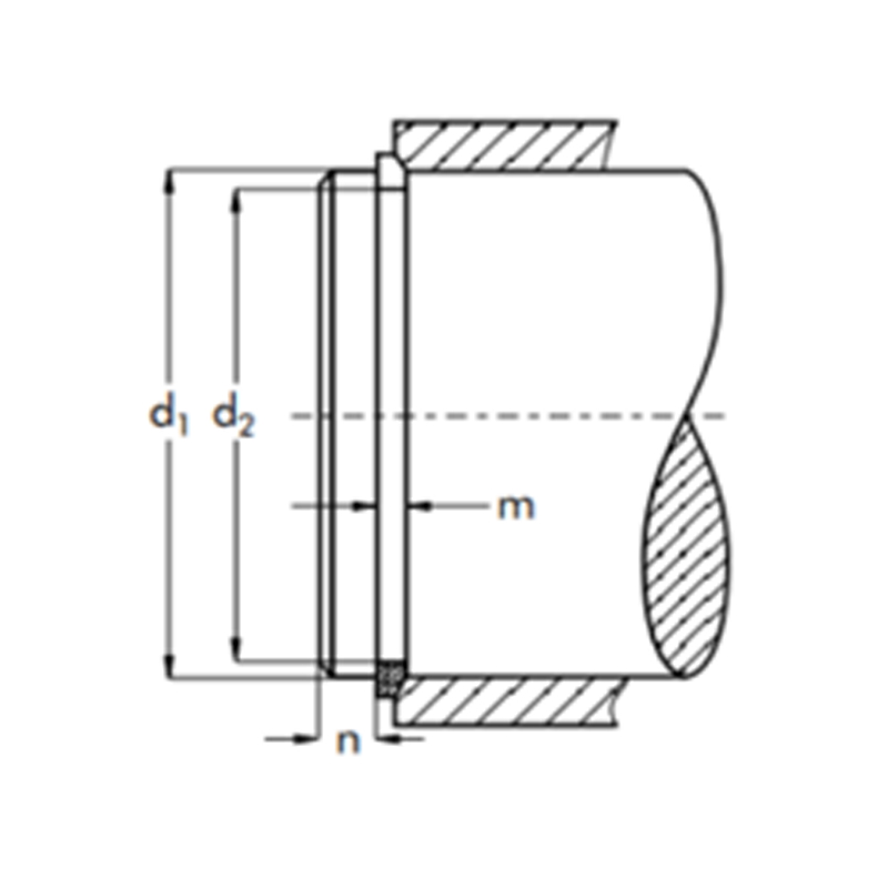
D1: Specifikacija/nominalna veličina; S: Debljina; D3: unutarnji promjer; B: Širina ramena; WT: Težina; FN: kapacitet ležaja u žljebovima; FR: kapacitet nosača prstena; Nabl: ograničavajuća brzina;

Teški protivni vanjski vanjski SNAP RING-M2400 SW

D1 S (-0.1) B (-0.1) D3 max WT (G) d2 Tol m min FN (KN) FR (KN) N ABLX1000
4
0.5
0.8
3.7
0.02
3.8
–0.09
0.6
0.2
1.25
275
5
0.5
1
4.7
0.05
4.8
–0.09
0.6
0.26
1.3
192
6
0.7
1.1
5.6
0.09
5.7
–0.09
0.8
0.46
3.5
141
7
0.7
1.2
6.5
0.12
6.7
–0.09
0.8
0.54
3.5
134
8
1
1.3
7.4
0.2
7.6
–0.09
1.1
0.82
6.5
108
9
1
1.3
8.4
0.24
8.6
–0.09
1.1
0.92
6.5
80
10
1
1.3
9.4
0.25
9.6
–0.09
1.1
1.03
6.5
68
11
1
1.3
10.2
0.29
10.5
–0.11
1.1
1.4
9.8
64
12
1
1.3
11.2
0.3
11.5
–0.11
1.1
1.53
9.3
53
13
1
1.3
12.2
0.34
12.5
–0.11
1.1
1.7
8.9
43
14
1.2
1.5
13.1
0.5
13.5
–0.11
1.3
1.8
17
45
15
1.2
1.75
14
0.66
14.4
–0.11
1.3
2.3
18.7
44
16
1.2
1.75
15
0.69
15.4
–0.11
1.3
2.47
17.7
38
17
1.2
1.75
16
0.72
16.4
–0.11
1.3
2.63
17
34
18
1.2
1.75
17
0.75
17.4
–0.11
1.3
2.78
16.2
30
19
1.2
1.75
17.9
0.8
18.4
–0.13
1.3
2.94
15.6
29
20
1.2
1.75
18.7
0.84
19.2
–0.13
1.3
4.1
15
26
21
1.2
1.75
19.7
0.87
20.2
–0.13
1.3
4.3
14.6
23
22
1.2
1.75
20.7
0.91
21.2
–0.13
1.3
4.5
14
21
24
1.2
1.75
22.5
0.99
23
–0.13
1.3
6.15
13.3
18
25
1.2
1.75
23.5
1
24
–0.13
1.3
6.4
12.8
16
26
1.2
1.75
24.5
1.1
25
–0.13
1.3
6.65
12.5
15
27
1.5
2.3
25.5
2
26
–0.13
1.6
6.95
30
16
28
1.5
2.3
26.5
2.11
27
–0.13
1.6
7.2
29.3
15
29
1.5
2.3
27.5
2.2
28
–0.13
1.6
7.45
28.2
14
30
1.5
2.3
28.5
2.33
29
–0.13
1.6
7.7
27.5
13
32
1.5
2.3
30.2
2.41
30.8
–0.16
1.6
9.9
26.5
13
35
1.5
2.3
33.2
2.51
33.8
–0.16
1.6
10.8
24.4
11
37
1.5
2.3
35.2
2.72
35.8
–0.16
1.6
11.3
23.5
9
38
1.5
2.3
36.2
2.83
36.8
–0.16
1.6
11.6
22.7
9
40
1.5
2.3
37.8
2.91
38.5
–0.16
1.6
15.5
22
8
42
1.5
2.3
39.8
3.1
40.5
–0.16
1.6
16.2
21.4
7
43
1.5
2.3
40.8
3.25
41.5
–0.16
1.6
16.5
21.1
7
45
1.5
2.3
42.8
3.39
43.5
–0.16
1.6
17.3
20.6
6
47
1.5
2.3
44.8
3.48
45.5
–0.16
1.6
18.2
19.2
6
48
1.5
2.3
45.8
3.6
46.5
–0.16
1.6
18.7
18.6
5
50
1.5
2.3
47.8
3.73
48.5
–0.16
1.6
19.5
18.1
5
52
1.5
2.3
49.8
3.92
50.5
–0.19
1.6
20.2
17.7
4
55
1.5
2.3
52.6
4.11
53.5
–0.19
1.6
21
16.5
4
58
1.5
2.3
55.6
4.4
56.5
–0.19
1.6
22.5
15.7
4
60
1.5
2.3
57.6
4.55
58.5
–0.19
1.6
23.2
15.4
4
63
1.5
2.3
60.6
4.58
61.5
–0.19
1.6
24.4
14.7
3
65
1.5
2.3
62.6
4.64
63.5
–0.19
1.6
25.2
14.2
3
68
2
2.8
65.4
8.59
66.2
–0.19
2.2
31.7
39.6
3
70
2
2.8
67.4
8.71
68.2
–0.19
2.2
32.5
38.4
3
72
2
2.8
69.4
8.8
70.2
–0.19
2.2
33.7
37.6
3
73
2
2.8
70.4
8.9
71.2
–0.19
2.2
34
37
3
75
2
2.8
72.4
9.32
73.2
–0.19
2.2
35
36.2
2
80
2
2.8
77.4
9.67
78.2
–0.19
2.2
37.4
34.2
2
85
2.5
3.4
82
16
83
–0.22
2.7
44
72
2
90
2.5
3.4
87
16
88
–0.22
2.7
46.5
66.3
2
95
2.5
3.4
92
18.2
93
–0.22
2.7
49.2
61.8
2
100
2.5
3.4
97
18.9
98
–0.22
2.7
51.9
57.3
2
105
2.5
3.4
101.7
20.7
102.7
–0.22
2.7
65
54
2
110
2.5
3.4
106.6
20.9
107.7
–0.22
2.7
69
50.4
1
115
2.5
3.4
111.6
22.1
112.7
–0.22
2.7
71
47.2
1
120
2.5
3.4
116.5
24.1
117.7
–0.22
2.7
75
44.8
1
125
2.5
3.4
121.5
25.1
122.7
–0.25
2.7
78.5
41.8
1
130
2.5
3.4
126.4
26.6
127.7
–0.25
2.7
84
39.6
1
135
2.5
4
131.1
30.2
132.4
–0.25
2.7
87
44
1
140
2.5
4
136
31.1
137.4
–0.25
2.7
91.5
41.6
1
145
2.5
4
141
32.6
142.4
–0.25
2.7
95
39.6
1
150
2.5
4
145.9
32.8
147.4
–0.25
2.7
98
37.5
1
155
2.5
4
150.9
34.7
154.4
–0.25
2.7
100
36.3
1
160
2.5
4
155.8
36.6
157.4
–0.25
2.7
103
35.6
1
165
2.5
4
160.8
37.4
162.4
–0.25
2.7
106
34.2
0.5
170
2.5
4
165.7
38.5
167.4
–0.25
2.7
108
33.5
0.5
175
2.5
4
170.7
39.4
172.4
–0.25
2.7
117
32.2
0.4
180
3
5
175.2
61.2
177
–0.25
3.2
140
67.5
1
185
3
5
180.2
63.9
182
–0,29
3.2
144
66.2
1
190
3
5
185.1
65.9
187
–0,29
3.2
148
64
1
195
3
5
190.1
67.5
192
–0,29
3.2
152
62.6
1
200
3
5
196
68.4
197
–0,29
3.2
156
61.4
0.5
210
3
5
204.9
72
207
–0,29
3.2
164
58
0.5
220
3
5
214.8
76.3
217
–0,29
3.2
171
55.5
0.4
230
3
5
224.7
79.8
227
–0,29
3.2
180
53
0.3
240
3
5
234.6
81.7
237
–0,29
3.2
187
51
0.3
250
3
5
244.5
86.5
247
–0.32
3.2
195
49
0.3
260
4
7.5
252.4
179
255
–0.32
4.2
338
168
0.4
265
4
7.5
257.4
185.2
260
–0.32
4.2
344
165
0.4
270
4
7.5
262.3
197.7
265
–0.32
4.2
350
162
0.4
280
4
7.5
272.2
198.7
275
–0.32
4.2
362
155
0.4
285
4
7.5
277.2
199.5
280
–0.32
4.2
370
151
0.3
290
4
7.5
282.1
205.3
285
–0.32
4.2
377
148
0.3
300
4
7.5
292.1
214.2
295
–0.32
4.2
390
145
0.3
305
4
7.5
297.1
219.4
300
–0.32
4.2
396
142
0.3
310
4
7.5
302
223.1
305
–0.32
4.2
402
139
0.3
320
4
7.5
311.9
225.3
315
–0.32
4.2
416
137
0.3
330
4
7.5
321.8
228.6
325
–0.36
4.2
428
132
0.2
340
4
7.5
331.7
239.3
335
–0.36
4.2
442
129
0.2
350
4
7.5
341.6
251.2
345
–0.36
4.2
455
123
0.2
360
4
7.5
351.5
253.1
355
–0.36
4.2
468
120
0.2
370
4
7.5
361.5
259.2
365
–0.36
4.2
482
117
0.2
380
4
7.5
371.4
265.8
375
–0.36
4.2
494
115
0.2
390
4
7.5
381.3
273.9
385
–0.36
4.2
507
112
0.2
400
4
7.5
391.2
281.1
395
–0.36
4.2
521
109
0.1
420
4.5
12
410
531
415
–0.36
4.8
547
133
0.3
460
4.5
12
449.5
582
455
–0.36
4.8
600
126
0.2
O nama
Anhui Ningguo Dongbo Squarener Co., Ltd.
Dongbo je osnovan u rujnu 2005. s registriranim kapitalom od 47,72 milijuna. Nalazi se u nacionalnoj zoni ekonomskog i tehnološkog razvoja Ningguo, pokriva površinu od 91 hektara, a trenutno ima više od 420 zaposlenih. Tvrtka se usredotočila na proizvodnju zadržavanja prstenova već 46 godina i profesionalna je veleprodaja Snap prstenova Proizvođači i OEM/ODM tvornice pričvrsnih prstenova, proizvodeći perilice (okrugli, leptir, sferični), pridržavanje prstenova, elastične cilindrične priloge i druge serije proizvoda koji se ne prilagođavaju. To je visokotehnološko poduzeće s velikim razmjerima, višestrukim sortama, kompletnim specifikacijama i integriranom proizvodnjom, istraživanjem i razvojem i prodajom u industriji.
Potvrda o časti
  • CNA
  • IATF16949
  • Certifikati
  • ISO14001
  • Certifikati
  • Certifikati
  • Certifikati
  • Certifikati
  • Certifikati
  • Certifikati
  • Certifikati
  • Certifikati

Vijesti

  • Apr 27,2026

    Nestandardni dijelovi za utiskivanje: Potpuni vodič

    Što su nestandardni dijelovi za žigosanje i kada vam trebaju NESTANDARDNI DIJELOVI ZA ŠTAMPANJE su precizne metalne komponente proizvedene procesima utiskivanja — upotrebom matrica i probija...

    Pogledajte više
  • Apr 22,2026

    Ugradnja i uklanjanje vanjskog osigurača: vodič korak po korak

    Vanjski osigurači su među najpouzdanijim i najisplativijim spojnim elementima u strojogradnji. Nalaze se u svemu, od automobilskih mjenjača do industrijskih transportnih sustava, pružaju kompaktno rješenje za sprječav...

    Pogledajte više
  • Apr 15,2026

    Vodič za uskočne prstene: vrste, upotreba i odabir

    Razumijevanje temeljne funkcije uskočnih prstenova Uskočni prstenovi , koji se često nazivaju sigurnosnim prstenovima ili osiguračima, služe vrlo specifičnoj mehaničkoj svrsi: oni ograničavaju aksijalno kreta...

    Pogledajte više
  • Apr 08,2026

    Nestandardni dijelovi za utiskivanje: Industrijski vodič

    Inženjerska preciznost u proizvodnji nestandardnih dijelova za štancanje Nestandardni dijelovi za utiskivanje predstavljaju ključno proizvodno rješenje za industrije koje zahtijevaju komponente koje odstupaju od ko...

    Pogledajte više
Teški protivni vanjski vanjski SNAP RING-M2400 SW Industry knowledge

Fiksiranje s preciznošću: zašto su M2400 SW Snap prstenovi ključni za moderne strojeve

M2400 SW teškim vanjskim prstenom protiv smještaja za borbu protiv smještaja ovaj koncept preuzima na sljedeću razinu. Projektiran za aplikacije s visokim opterećenjem, ne samo da osigurava ležajeve, već se odupire i pomicanje uzrokovanih vibracijama ili toplinskom ekspanzijom-što je uobičajeni izazov u teškim radnim okruženjima. To ga čini posebno vrijednim u scenarijima u kojima su kritični dosljednost materijala i dimenzionalna točnost, poput procesa izravnog oblikovanja tvrdog materijala.

Nesposobna kvaliteta od Anhui Ningguo Dongbo Squarener Co., Ltd.
Iza svakog izuzetnog proizvoda stoji tvrtka posvećena inovacijama i kvaliteti. Anhui Ningguo Dongbo Bristener Co., Ltd., osnovan u rujnu 2005., izgradio je reputaciju lidera u industriji učvršćivača. S više od četiri desetljeća iskustva specijaliziranih za zadržavanje prstenova, perilica i prilagođenih rješenja za žigosanje, tvrtka kompanija kombinira tradicionalno umijeće s vrhunskom tehnologijom.

Smješten u Nacionalnoj zoni ekonomskog i tehnološkog razvoja Ningguo, Dongbo se može pohvaliti najsuvremenijim objektima koji se protežu na 91 hektaru i zapošljava više od 530 kvalificiranih profesionalaca. Njegova posvećenost istraživanju i razvoju osigurava da proizvodi poput Snap -a M2400 SW zadovoljavaju evoluirajuće potrebe globalnih tržišta. Bilo da proizvode standardne dijelove ili razvijaju prilagođena rješenja, Dongbo dosljedno pruža neusporedivu preciznost i izdržljivost.

Ključne značajke M2400 SW Snap prstena
Što postavlja M2400 SW teškim vanjskim vanjskim prstenom odvojeno? Evo nekih njegovih značajki:

Superiorna konzistencija materijala: proizvedena pomoću naprednih tehnika, M2400 SW nudi iznimnu dimenzionalnu stabilnost, osiguravajući optimalno uklapanje i funkciju u različitim aplikacijama.
Teški dizajn: Izgrađen kako bi izdržao ekstremne pritiske i otporan na deformaciju, ovaj je prsten idealan za upotrebu u teškim strojevima i okruženjima s visokim stresom.
Sposobnost anti-smjene: Za razliku od konvencionalnih SNAP prstenova, M2400 SW minimizira rizik od pomaka zbog vibracija ili toplinskih promjena, povećavajući ukupnu pouzdanost sustava.
Svestranost: Pogodno za širok raspon industrija, uključujući automobile, izgradnju i proizvodnju, M2400 SW prilagođava se različitim operativnim zahtjevima.

Predanost inovaciji i izvrsnosti
U središtu Dongbo -ovog uspjeha nalazi se nepokolebljiva predanost inovaciji. Od standardnih dijelova koji proizvode masovno do ponude sveobuhvatnih rješenja na jednom mjestu, tvrtka i dalje gura granice. Ostajući vjeran svojoj originalnoj misiji-pružajući visokokvalitetne, pouzdane proizvode-Dongbo je stekao povjerenje kupaca u industrijama.

Kako se industrije razvijaju i zahtijevaju sve sofisticiranija rješenja, važnost komponenti preciznih inženjera poput M2400 SW Snap prstena ne može se precijeniti. Ovi mali, ali moćni uređaji igraju glavnu ulogu u održavanju modernih strojeva da radi glatko, učinkovito i sigurno.